型 號:LSJZ
規 格:30T~150T
公司名稱:龍升
保質周期:12
價 格(≤ 1) ¥電議 /臺
優惠價格(≥ 5):電議


▲雙作用中空液壓千斤頂顧名思義,采用雙作用設計,液壓復位;
▲空心設計,既可以可用于拉力, 也可用于推力;
▲雙作用張拉液壓千斤頂雙防塵圈結構保持油缸內部清潔
▲特殊的導向環設計對偏移中心的壓力提供支撐, 并有效阻止活塞桿與內壁直接摩擦, 以減少磨損, 延長液壓缸的使用壽命
▲安全閥設計:防止超壓引起雙作用中空液壓千斤頂的損壞
▲所有型號均帶有NPT3/8"-18快速接頭與防塵帽
▲雙作用中空液壓千斤頂缸體外環螺紋、活塞桿內螺紋及底部安裝孔提供可靠便捷的安裝
▲烤漆表面耐腐蝕能力強,使用壽命久;
▲定制:可以根據客戶需求定制
▲相關產品:單作用中空液壓千斤頂

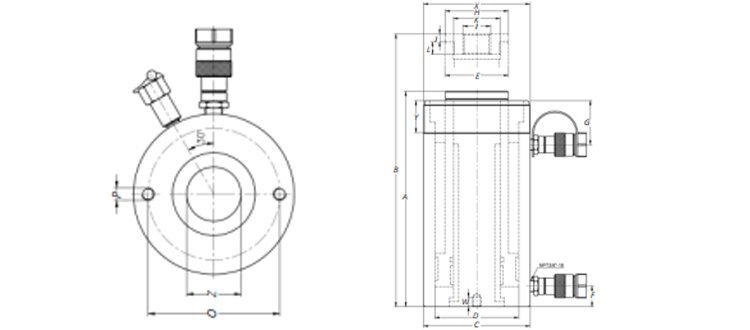
雙作用中空液壓千斤頂尺寸圖:

雙作用中空液壓千斤頂參數:
| 型號 | 拉伸力 | 行程 | 液壓油容量 | 承載能力 | 本體高度A | 伸展高度B | 油缸外徑C | 油缸內徑D | 活塞桿直徑E | 重量 |
| t | mm | 頂升/回程cm³ | 頂升/回程KN | mm | mm | mm | mm | mm | kg | |
| LSJZ300-178 | 30 | 178 | 855/550 | 336/216 | 330 | 508 | 115 | 90 | 64.5 | 21 |
| LSJZ1300-258 | 30 | 258 | 1240/798 | 336/216 | 431 | 689 | 115 | 90 | 64.5 | 27 |
| LSJZ600-89 | 60 | 89 | 749/468 | 589/368 | 247 | 336 | 159 | 125 | 94.5 | 28 |
| LSJZ600-166 | 60 | 166 | 1398/873 | 589/368 | 323 | 489 | 159 | 125 | 94.5 | 35 |
| LSJZ600-257 | 60 | 257 | 2164/1352 | 589/368 | 438 | 695 | 159 | 125 | 94.5 | 45 |
| LSJZ1000-38 | 95 | 38 | 514/346 | 947/637 | 165 | 203 | 212 | 165 | 125 | 33 |
| LSJZ1000-76 | 95 | 76 | 1028/692 | 947/637 | 254 | 330 | 212 | 165 | 125 | 61 |
| LSJZ1000-153 | 95 | 153 | 2070/1394 | 947/637 | 342 | 495 | 212 | 165 | 125 | 79 |
| LSJZ1000-257 | 95 | 257 | 3477/2341 | 947/637 | 460 | 717 | 212 | 165 | 125 | 106 |
| LSJZ1500-203 | 145 | 203 | 4191/2198 | 1445/758 | 359 | 562 | 247 | 190 | 150 | 111 |
注:由于產品不斷改良,當外形與參數變更時,均以實物為主,想要了解更多產品詳情可電話聯系我們.

雙作用中空液壓千斤頂可配套手動/電動液壓泵使用



雙作用中空液壓千斤頂屬于龍升品牌,產品保質周期為12個月,在正常使用情況下保質期內出現任何質量問題免費調換,非質量問題收費維修。